閥座加工案例

圖中零件為空調閥座
材料為HPb59-1
加工部位見圖中所標各尺寸
本案例亮點為只需一次裝夾,同時加工圖中三處孔。保證各尺寸精度的同時提高了生產效率。


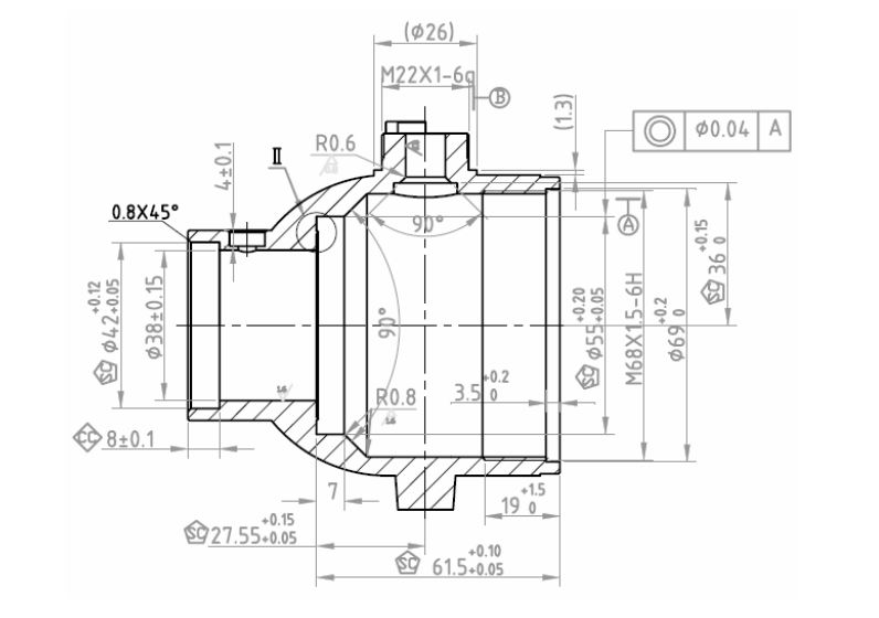
閥座加工案例

圖中零件為空調閥座
材料為HPb59-1
加工部位見圖中所標各尺寸
本案例亮點為只需一次裝夾,同時加工圖中三處孔。保證各尺寸精度的同時提高了生產效率。
版權所有:寶雞西力精密機械有限公司 技術支持:大有123 陜ICP備:09002339號
地址:寶雞市高新技術開發區高新十七路 電話:0917-8915000(銷售部) 0917-8915002(市場服務部) 傳真:0917-8915009 E-mail:bjxlxkc@163.com